工作电压:DC24~32V / DC12~19V
最大电流:2.5A/5A
最大负载:3000N
最大速度:110MM/S
行程范围:30-1600mm(可定制)
产品特点:60W直流电机,最大负载3000N,速度最大110MM/S,内置自锁机构
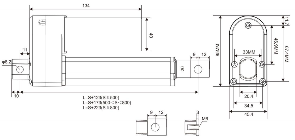
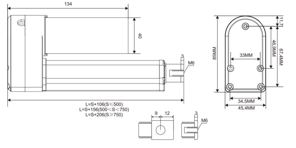
3种安装方式:吊耳安装,平底安装,电动-手动控制吊耳安装
可选装:霍尔编码器,内管不锈钢,上下限位反馈(5根线),内置磁铁,IP66防水,IP54防水
产品描述
DHLA3000是新开发的25dB低噪声设计。采用60W高转矩永磁直流电机,最大负载3000-3500N,最高转速可达110MMS。
T是一款高品质的电动直线执行器。本产品运行稳定,推力和拉力相同,适应环境,性能好,设计新颖,体积小,精度高。
DHLA3000电动直线执行器外铝管经27道氧化工艺处理,硬度高,外观更美观,内管可选配304不锈钢管,可用于苛刻的工业环境。
技术参数
电压 | DC29V-32V | |||||
速度 (MM/s) | 5 | 10 | 15 | 20 | 40 | 66 |
负载牵引能力(N) | 3000 | 1500 | 1200 | 1000 | 400 | 300 |
负载推力(N) | 3000 | 1500 | 1200 | 1000 | 400 | 300 |
自锁能力(N) | 4000 | 2000 | 1500 | 1200 | 600 | 400 |
行程长度 | 30毫米-1600米 | |||||
工作温度 | -25°C~+85°C | |||||
限位开关 | 内置 | |||||
工作频率 | 10% 最长 2 分钟连续使用 | |||||
内胎 | 铝管 | |||||
丝杠类型 | T型 | |||||
安装方法 | M6/M8/M10螺丝 | 平板 | Ф6.2 / Ф8.2 / Ф10.2 升降凸耳 | |||
DHLA3000-A1

DHLA3000-A2
